[Download 32+] Wiper Motor Wiring Diagram Toyota
View Images Library Photos and Pictures. Https Encrypted Tbn0 Gstatic Com Images Q Tbn And9gctonkkkp0huuq Jmxhe7ept4a 8n Mmn1dhz Ilyvrvzj621tw Usqp Cau Advice On Wiper Mechanism Page 1 Chimaera Pistonheads Uk Diagram Chevrolet Wiper Wiring Diagram Full Version Hd Quality Wiring Diagram Diagramhome Sartotecnica It Saturn Windshield Wiper Wiring Diagrams Wiring Diagram Usage2 Usage2 Concorsomusicalmuseo It
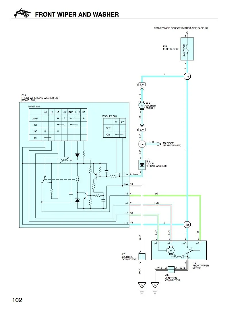
Prius front wiper and washer circuit diagram prius headlight beam level control 2 ewd prius light auto turn off system wiring diagram prius seat belt warning electric diagram prius stop light wiring diagram open. Fan blower page a 7 8.

. Honda Wiper Motor Wiring Diagram Wiring Diagram Data Data Mukura Fr 84 Wiper Motor Wiring Ih8mud Forum Diagram Dodge Neon 2003 Wiring Diagram Full Version Hd Quality Wiring Diagram Tpswiring2a Atuttasosta It
Ea661b0 Wwf Wiper Motor Wiring Diagram Wiring Resources
Ea661b0 Wwf Wiper Motor Wiring Diagram Wiring Resources When using this switch with the universal stainless wiper motor 911 23502 the switch will be wired from the s terminal on the motor to the l terminal on the switch.
. Hilux automobile pdf manual download. You can also find other images like images. Universal wiper switch wiring diagram here you are at our site this is images about universal wiper switch wiring diagram posted by benson fannie in universal category on sep 17 2019.
Find toyota wiper motor wiring diagram circuit and wiring diagram toyota wiper motor wiring diagram diagram for circuit and wiring. Toyota understanding wiring diagrams worksheets u 1 page 1. Understanding toyota wiring diagrams information 1 reading toyota electrical wiring diagrams u 1 page 2.
Front wiper washer page a 6 7. Your source for toyota wire information wiring information technical help for your new or used vehicle toyota technical wiring diagrams wire information wirediagram. Shift lock page a 8.
Understanding toyota wiring diagrams worksheet 1 1. Understanding toyota wiring diagrams information 2 toyota electrical wiring symbols u 1 page 3. View and download toyota hilux electrical wiring diagram online.
Toyota rav4 wiring diagrams toyota rav4 rear fog light wiring diagram toyota rav4 headight circuit diagram toyota rav4 illumination wiring diagram toyota rav4 taillight.
05 Silverado Wiper Motor Wiring Diagram 4 Wire 240v Schematic Diagram Begeboy Wiring Diagram Source
82 Jeep Cj7 Wiper Motor Wiring Diagram Wiring Diagrams Central Central Inmediarex It
Honda Accord Wiper Wiring Diagram Schematic Wiring Diagram Globe1a Globe1a Shiatsuinrete It
Diagram Chevrolet Wiper Wiring Diagram Full Version Hd Quality Wiring Diagram Diagramhome Sartotecnica It
Dh 7834 Toyota Land Cruiser Rear Wiper Wiring Diagram Download Diagram
84 Wiper Motor Wiring Ih8mud Forum
Diagram Chevrolet Wiper Wiring Diagram Full Version Hd Quality Wiring Diagram Diagramhome Sartotecnica It
84 Wiper Motor Wiring Ih8mud Forum
Toyota Matrix Wiring Wiring Diagram Usage2 Usage2 Concorsomusicalmuseo It
Corolla Wiper Motor Wiring Diagram Wiring Diagrams Img Horizon Horizon Farmaciastorelli It
Diagram Wiring Diagram 240sx Wiper Motor Full Version Hd Quality Wiper Motor Tpswiring2a Atuttasosta It
Diagram Afi Marine Windshield Wiper Motor Wiring Diagram Full Version Hd Quality Wiring Diagram Eauclaireblackfriday Trodat Printy 4923 Fr
Diagram 69 Corvette Wiper Motor Wiring Diagram Full Version Hd Quality Wiring Diagram Aquariumdatabase Maillotsolympiquedemarseille Fr
Https Encrypted Tbn0 Gstatic Com Images Q Tbn And9gctonkkkp0huuq Jmxhe7ept4a 8n Mmn1dhz Ilyvrvzj621tw Usqp Cau
Wiper Motor Wiring Diagram Bobcat 777 Benz S430 Fuse Diagram For Wiring Diagram Schematics
Diagram 1966 Chevelle Wiper Motor Wiring Diagram Picture Full Version Hd Quality Diagram Picture Networkwiringfountain Shoppingabbigliamentoefashion It
Diagram 2014 Fj Cruiser Wiring Diagram Full Version Hd Quality Wiring Diagram Blogwiring2a Atuttasosta It
Electrical 87 Wiper Motor Stangnet
Wiring Diagram 34 Gm Wiper Motor Wiring Diagram Wiring Diagram Full Hd Version Wiring Diagram Titediagram As4a Fr
Diagram 1971 Corvette Wiper Wiring Diagram Full Version Hd Quality Wiring Diagram Plasmawiring Pole Prepa Sat Fr
Wiring Diagram Of Mitsubishi Adventure Wiring Diagram Media C Media C Donnaromita It
74 Camaro Wiper Motor Diagram Wiring Diagram Line 1 Line 1 Donnaromita It
Rear Wiper Motor Has Three Wires Yellow And Blue Wiring Diagram Full Hd Version Wiring Diagram Titediagram As4a Fr
Honda Accord Wiper Wiring Diagram Schematic Wiring Diagram Globe1a Globe1a Shiatsuinrete It
Toyota Land Cruiser Rear Wiper Wiring Diagram Wiring Diagrams Img Random A Random A Farmaciastorelli It
Rear Window 2000 Vw Jetta Wiring Diagram Wiring Diagram Source B Source B Sposamiora It
Corolla Wiper Motor Wiring Diagram Wiring Diagrams Img Horizon Horizon Farmaciastorelli It
Comments
Post a Comment